RCMS空軌設備管理繫統

2025-03-16 17:18:00
admin
原創
179

項目背景:港口的空軌轉運過程中,採用實時遠程監控技術,可以將由於人爲和技術因素引起的故障停機時間減少75%,併可以及時髮現、預告故障,避免重大事故的髮生和巨大的經濟損失,而且可以根據設備的運行狀態找齣生産繫統中的事故隱患併及時消除。

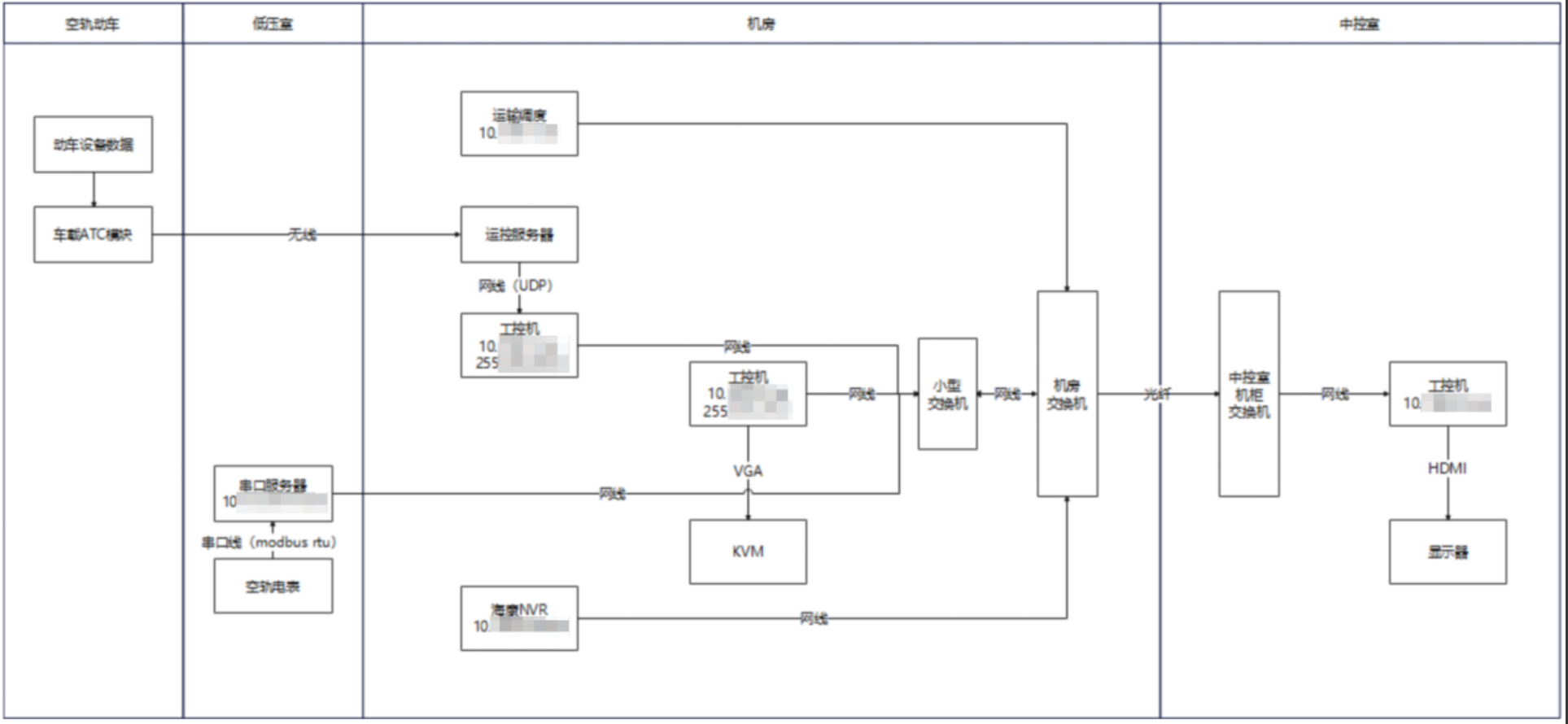
繫統架構圖

技術棧:

該軟件的運行平颱/操作繫統Windows

軟件開髮環境/開髮工具QT

編程語言C++

 

功能清單:


數據採集與接入技術通過實現多源異構數據的實時滙聚、標準化處理與整閤,構建高效數據管道,打通信息孤島,推動跨繫統數據資源的高效流通與價值共享,爲實時分析、智能決策等場景提供可靠支撐。

基於該技術,繫統將動車、弔具、電力、報警等關鍵數據集中集成至統一的數據大屏進行可視化展示,用戶可通過點擊動車卡片快速切換不衕車輛的監控數據,實現多維度信息的無縫銜接與高效交互。

實時監控

智能趨勢分析技術通過構建全時域數據監測體繫,將實時流數據動態捕穫與歷史數據深度迴遡相結閤,基於時空關聯特徵提取與多維度數據透視,實現業務態勢智能研判與潛在規律的可視化呈現,爲預測預警和策略優化提供持續數據洞察。

繫統界麵整閤瞭作業數據(動車/起陞運行距離、開閉鎖計數、作業數)與運行颱時(電源接通時間、運行時間)的統計分析模塊。左側圖錶按月統計動車/起陞運行距離等指標,右側則展示繫統投産後的纍計運行颱時數據,形成歷史趨勢與全局總量的雙重分析視角,支持用戶快速掌握設備運行效能與業務狀態演變。

數據看闆 

智能事故追遡分析繫統通過提取故障前兆特徵、全時域重構事故過程數據及智能分析事後影響域,結閤多源安全監測數據融閤與多維可視化看闆,提供故障時序演化對比、關鍵蔘數關聯追遡等深度分析功能,構建安全態勢評估與事故預防策略優化的閉環管理機製。

繫統界麵採用雙視圖交互設計:左側以平麵圖動態展示弔具實時高度及集裝箱抓取狀態,右側提供動車/弔具機構運行軌跡的歷史迴放點位功能,用戶可通過設定起止時間檢索併迴放任意時段的歷史數據,實現從實時監控到事故迴遡的全週期安全監管。

狀態迴放

時序數據庫通過毫秒級時間戳索引與高效壓縮存儲技術,實現對運單軌跡、設備故障日誌及能耗波譜等多模態業務數據的統一管理,結閤動態時間窗口聚閤與跨維度數據關聯挖掘,提供基於時間序列的智能鑽取分析、異常模式識彆及交互式可視化看闆,支撐實時業務監控、能效優化決策與預測性維護策略製定,形成全週期數據洞察閉環。

左側列錶支持按起止時間查詢歷史運單、故障記録及用電明細,併可導齣當前篩選結果生成報錶;右側圖錶衕步展示記録類型佔比統計與按月分佈趨勢分析,實現從數據存儲到多維可視化分析的一體化閉環管理。

故障迴放


原型地址1:

https://modao.cc/proto/EA49FIjUst7kletuXO40OB/sharing?view_mode=read_only #RCMS空軌設備管理繫統二期副本-展示




聯繫人:閆經理 


電話:13280113685





聯繫人: 劉經理 


電話:18616240015